新聞資訊
/行業新聞

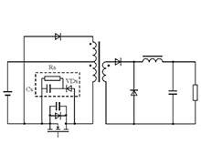
我們日常多數接觸的電源大致可分為用于交流電路的電源變壓器,或是由多個電子元件組成的開關電源及線性電源,它們都存在隔離和非隔離型倆種。非隔離電源多數都是共地的,也就是輸出端也是對地電壓,存在觸電危險及共地雜波干擾的可能。 而隔離電源通常使用1比1變壓器將輸入輸出隔離開來,輸出端對地懸空,任何一根輸出線對地無電壓,因為不是同一個電力系統,所以人觸摸到任何一根輸出線都不會觸電。市電之所以…

1、電流分配均等 典型的平面變壓器副邊繞組有若干個并聯的線圈,每個副邊繞組都和同一個原邊繞組相藕合。所以副邊電流產生的安匝數與原邊繞組產生的安匝數相等(忽略勵磁電流)。 2、電流密度高 平面變壓器有極好的溫升特性設計。它能在很小的封裝體積內達到很高的電流密度,由于它的結構特點完全滿足高頻電流的工作特性,適合在高頻率的場合使用。 3、高效率 低漏電感使它能具有很快的開關時間,很低的交叉損耗就能…

電源模塊、充電器和電源適配器三者都是電源,只不過是在用途上有所不同,它們都是采用開關電源方式制造。但是少量充電器不是用開關電源做的,電源適配器也有采用變壓器輸出和線性整流穩壓輸出的。 開關電源是一種將市電220V交流電轉為低壓直流電的一種方式,區別于傳統工頻變壓器,一般采用這種開關變換電壓技術的電源稱為開關電源。電源模塊就是一種小型的開關電源,主要分為AC-DC電源模塊和DC-DC電源模塊。因…

在開關電源中,常見電感和電容,寄生電容一般和開關元件或二極管并聯,寄生電感與其串聯。由于存在電感電容,開關電源模塊在通斷工作時,會產生較大的電壓和電流浪涌。開關電源模塊中尖峰的危害會造成元件損壞,或電路工作異常,采用吸收電路,可以抑制浪涌電流。 電壓尖峰是電感續流引起的,引起電壓尖峰的電感有線路分布電感、變壓器漏感、器件等效模型中的感性成分等,電壓尖峰的電流引起有拓撲電流、二極管反向恢復電流、…

一、特種二極管: 1、快恢復二極管(FRD),快恢復二極管的反向恢復時間一般為幾百納秒,正向壓降為0.6V-1V,正向電流為幾安培至幾千安培,反向峰值電壓可達幾百伏特至幾千伏特,用作開關電源的輸出整流管、一次側鉗位保護電路的阻塞二極管。 2、超快恢復二極管(SRD),超快恢復二極管是在快恢復二極管基礎上發展而成,其反向恢復電荷進一步減小,反向恢復時間可低至幾十納秒,用作開關電源、適…

快熔斷保險絲只要電流超過其額定值瞬間即熔斷,只能作短路保護,而慢熔斷在電路出現非故障脈沖電流時會保持完好,對長時間電流過載起保護作用,同時具有短路和過載保護功能。 快熔斷保險絲和慢熔斷保險絲的主要區別在于它對瞬間脈沖電流的承受能力,從技術上來講,慢熔斷具有較大的熔化熱能值,保險絲熔斷所需要的能量較大,對于同樣額定電流的保險絲來說,慢熔斷比快熔斷耐脈沖的能力要強很多。因為慢熔斷保險絲比同規格的快…

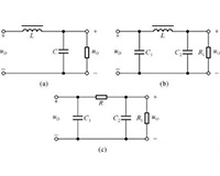
在電源中整流電路輸出的脈動直流電含有較大的交流成分,一般不能直接給電子電路供電,僅能對少量要求不高的設備使用。對于平穩供電的設備要對輸出電壓進行濾波,消除電壓中的交流成分。我們把脈動直流電變成平滑直流電的電路稱作濾波電路,由電感、電容、電阻組成。下面介紹下各種常用的濾波電路。濾波電路主要分為電容濾波、π型RC濾波、π型LC濾波和濾波器電路,利用電容的隔直通交或電感的隔交通直的特性來濾除電壓中的交流…

開關電源的開關管和整流管工作在高電壓大電流的情況下,會對外界產生很強的電磁干擾。傳導干擾是通過電源輸入線向外傳播,有差模和共模干擾,共模會比差模產生更強的輻射干擾。 傳導發射的差模干擾產生是當開關管開通時,流過電源線的電流線形上升,開關管關斷時電流突變為0,因此流過電源線的電流為高頻的三角脈動電流,含有豐富的高頻諧波分量,隨著頻率的升高,該諧波分量的幅度越來越小,差模隨頻率的升高而…

開關電源的諧波是指電流中所含有的頻率為基波整數倍的電量,從廣義上理解是指由于交流電網有效分量為工頻單一頻率,任何與工頻頻率不同的成分都叫做諧波。即指不是50Hz的電壓電流就是諧波。 在用電網絡中,存在許多非線性負載,如:大功率整流器、中頻爐、變頻器、直流電機驅動器等工作電流劇烈變化的設備。電路中有諧波產生是由于正弦電壓加壓于非線性負載,當電流流經負載時,與所加的電壓不呈線性關系,基波電流發生畸…

隨著科技的發展,在應用上對電源模塊要求體積越來越小、功率越來越高,模塊的發熱和散熱問題成為影響元器件使用性能和壽命的關鍵因素之一。一般模塊內部為多材料分層結構,不同的材料層在熱膨脹系數上存在差異,當溫度發生變化時,會在不同材料層上產生熱應力。通常說模塊在開關機工作一次就會產生熱應力循環,隨著工作次數的增加,某一元件達到疲勞極限時,整個電源模塊就會失效。小體積、高功率密度的產品是電源模塊市場未來的選…